loadingLoading... Focus CR

Focus Cr

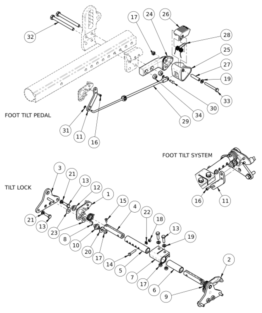
Name: Focus CR: (discontinued 1) Focus Cr Foot Tilt Mechanism
Manufacturer: Ki Mobility
(discontinued 1) Focus Cr Foot Tilt Mechanism parts diagram
(Click on image to enlarge)

This Focus CR Foot Tilt is discontinued and was used on serial numbers prior to FCR0013026.
Pos. Part # Description Price UOM Buy
3, 12 501110 Tilt Lock Mount Bracket with Bearing Assm Focus
$92.42
EA
1 001102 Cog Lever Tilt Lock Right TILT N/A EA Please Call
2 001103 Cog Lever Tilt Lock Left TILT N/A EA Please Call
3 001101 Mounting Bracket Tilt Lock TILT N/A Please Call
4 001105 Strut End Tilt Lock TILT N/A Please Call
5 001282 Drive Tube TILT N/A EA Please Call
6a 001254 Growth Strut Short TILT
$9.17
EA
6b 001255 Growth Strut Medium TILT N/A EA Please Call
6c 001256 Growth Strut Long TILT
$9.17
EA
7 001281 Strut Clamp TILT N/A EA Please Call
8 001109 Spring Tilt Lock Right TILT
$5.39
EA
9 001110 Spring Tilt Lock Left TILT
$5.39
EA
10 001104 Retainer Lock Lever TILT
$6.53
11 001134 Lock Lever Foot TILT N/A EA Please Call
12 001111 Bearing GFI-0607-04 TILT
$3.60
13 101823 M6 X 20 Hhcs Blk Zn
$1.19
EA
14 101821 M5 x 25 HHCS Blk Zn
$1.19
EA
15 101818 M4 x 10 FHCS BLKZC w/Patch
$1.19
EA
16 101842 M3 x 8 SHCS Blk Zn
$1.19
EA
17 100658 M6 Nylock Nut Blk Zn
$1.19
EA
18 100657 M5 Nylock Nut Blk Zn
$0.61
EA
19 100746 M6 Flat Washer Blk Zn
$1.81
EA
20 101853 M6 Washer Blk Zn
$0.61
EA
21 101835 M6 Lock Washer Blk Zn
$0.61
EA
22 101856 Flat Washer, M5, Blk Zn
$0.61
EA
23 102082 Washer Nylon .406IDX.75ODX.040
$0.64
24 001125 Mount Bracket Foot TILT
$33.12
EA
25 001126 Pedal Mount Foot TILT
$15.93
EA
26 001127 Pedal Foot TILT
$8.22
EA
28 001129 Spring Foot Pedal TILT
$16.69
EA
29 001130 Linkage Tube Assm TILT
$77.00
EA
30 001135 Clevis Pin with Clip TILT
$12.01
EA
31 001137 E-Clip 3/16" TILT N/A EA Please Call
32a 101832 M8 x 90 HHCS Blk Zn
$4.20
EA
32b 102384 M8 x 100 HHCS Blk Zc Part THD- Used with Attendant Foot Lock
$4.20
33 101826 M6 x 50 HHCS Blk Zn
$2.41
EA
34 100659 M8 Nylock Nut Blk Zn
$1.19
EA